電子保護電驛EUCR、EOCR-DS3、EOCR-DS3T機種停產
- EUCR、EOCR-DS3、EOCR-DS3T機種至2026/1月起停產,最後下訂日至2025/12/31截止收單,訂單可出貨至2026/6/30。
- 替代新機種EOCR-DSD上市時間另行通報。
- EOCR-DSD機種取代為EOCR-DS3T機種需再另加端子,端子規格同上市通報另行告知。
EOCR 保護功能差異:
| 型式 | 保護功能 | ||||||
|---|---|---|---|---|---|---|---|
| 過電流 | 欠電流 | 欠相 | 相位不平衡 | 逆相 | 失速 | 馬達轉子鎖死 | |
| EUCR | ● | ||||||
| EOCR-DS3 | ● | ● | ◎ | ● | ● | ||
| EOCR-DS3T | ● | ● | ◎ | ● | ● | ||
| ᴺᴱᵂ EOCR-DSD | ● | ● | ● | ● | ● | ● | ● |
EOCR 功能差異:
| 型式 | 時間特性 | 電流檢測 | 接線方式 | 固定方式 | 故障排除指示 | ||||
|---|---|---|---|---|---|---|---|---|---|
| 定時限 | 反時限 | 2-CT | 3-CT | 內建CT | 軌道式 | 埋入式 | 接觸器 | ||
| EUCR | ● | ● | ● | ● | |||||
| EOCR-DS3 | ● | ● | ● | ● | ● | ||||
| EOCR-DS3T | ● | ● | ● | ● | ● | ||||
| ᴺᴱᵂ EOCR-DSD | ● | ● | ● | ● | ● | ||||
EOCR 外觀差異
| 新 | 舊 |
|---|---|
![]() |
![]() |
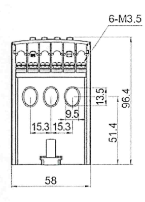
正面尺寸
| 新 | 舊 | |||
|---|---|---|---|---|
| EOCR-DSD | EOCR-DSD+接版 | EUCR | EOCR-DS3 | EOCR-DS3T |
![]() |
![]() |
![]() |
![]() |
![]() |
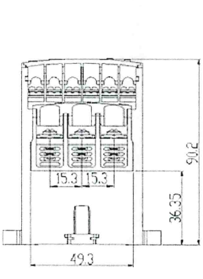
底部尺寸
| 新 | 舊 | |||
|---|---|---|---|---|
| EOCR-DSD | EOCR-DSD+接版 | EUCR | EOCR-DS3 | EOCR-DS3T |
![]() |
![]() |
![]() |
![]() |
![]() |
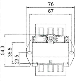
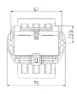
側面尺寸
| 新 | 舊 | |||
|---|---|---|---|---|
| EOCR-DSD | EOCR-DSD+接版 | EUCR | EOCR-DS3 | EOCR-DS3T |
![]() |
![]() |
![]() |
![]() |
![]() |
















