TCB系列掀蓋式無熔線斷路器
TCB series flip cover molded case circuit breaker
TCB series flip cover molded case circuit breaker
TCB-L5 S1 S3 H1 H2 H4系列掀蓋式無熔線斷路器
東元TCB系列掀蓋式無熔線斷路器及其周邊相關產品,主要是依據低壓配電系統之線路保護需要來建構。不僅對設備的保護,其電力系統所規劃出之需求迴路設計,即使是同一種類型類型開關產品其結構 亦可能因系統設計需求的不同而有很大的差異;另外使用環境,如在屋內與屋外,亦可能對開關所要求種類,有著不同的需求。一般包含主開關、分路開關等開關系統,針對大型配電系統其縮包含之電氣組件搭配則更多樣化。
東元TECO_無熔線斷路器_ TCB掀蓋式無熔線斷路器_規格簡介
TCB系列 掀蓋式無熔線斷路器
TCB-L5 S1 S3 H1 H2 H4系列
TCB-L5 S1 S3 H1 H2 H4系列
| 框架容量 (AF) | 400 | |||
|---|---|---|---|---|
| 型式 | TCB-400S1 | |||
| 極數 | 2 | 3 | 4 | |
| 額定電流 (A) 基準周圍溫度40°C |
250A 300A 350A 400A | |||
| 額定電壓 AC (V) | 690 | |||
| 額定絕緣電壓 Ui(V) CNS,IEC | 8 | |||
| 額定啟斷容量 (KA) | ||||
| NEMA 非對稱值 / 對稱值 Asym / sym |
AC *550V *600V | 20 / 18 | ||
| AC 440V *480V | 30 / 25 | |||
| AC 380V | 35 / 30 | |||
| AC 220V *240V | 45 / 40 | |||
| IEC 60947-2 EN 60947-2 CNS 14816-2 Icu/Ics |
AC *500V | 18 / 9 | ||
| AC 440V | 25 / 13 | |||
| AC *415V | 25 / 13 | |||
| AC 380V | 30 / 15 | |||
| AC 220V | 40 / 20 | |||
| DC | *250V | 25 / 13 | ||
| *125V | 40 / 20 | |||
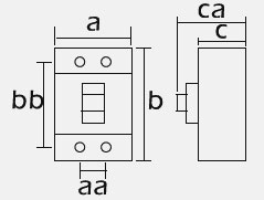
外型尺寸 (mm)![]() |
a | 140 | 140 | 184 |
| b | 257 | |||
| c | 103 | |||
| ca | 153 | |||
| aa | 43.5 | |||
| bb | 211 | |||
| 參考重量 (kg) | 5.0 | 5.8 | 7.4 | |
| 標準功能及特點 | ||||
| 過載跳脫方式 | 熱動 - 電磁 | |||
| 跳脫按鈕 | ● | |||
| 接線方式 | 端子板 | |||
| 可加裝之附屬裝置 | ||||
| 內 部 配 件 |
電壓跳脫裝置 SHT | ● | ||
| 欠電壓跳脫裝置 UVT | ● | |||
| 輔助開關 AUX | ● | |||
| 警報開關 ALT | ● | |||
| 輔助+警報開關 AUX+ ALT | ● | |||
| 外 部 配 件 |
電動操作機構 CD | ● ② | ||
| 外部操作把手 FG | ● ③ | |||
| 輔助把手 EHA | ● ② | |||
| 端子板 TBB | ● ① | |||
| 端子隔離板 TQQ | ● ① | |||
| 端子保護蓋 XPR | ● ② ④ | |||
●:適用 ―:不適用 4P N極在左 “*”標明之電壓值非台灣地區系統電壓,其相對應之啟斷容量僅供參考。
①:標準附件
②:非標準品,屬期貨需提前下訂。
③:FG符合IP-42防塵、防水等級。
④:選擇可並排之保護蓋,需將端子板拆除。
