電磁接觸器/電磁開關 SW/MSO
產品說明
規格說明
● 額定容量:CNS AC3級 三相
240V→kw/HP/A:3/4/13
380V→kw/HP/A:5.5/7.5/12
440V→kw/HP/A:5.5/7.5/12
● 輔助接點
標準:1a
● 電磁接觸器 S-W12C
● 非可逆/可逆:S-W12C / S-2XW12
● 電磁開關-開放型 MSO-W12
● 非可逆/可逆:MSO-W12 / MSO-2XW12
規格說明
● 額定容量:CNS AC3級 三相
240V→kw/HP/A:3/4/13
380V→kw/HP/A:5.5/7.5/12
440V→kw/HP/A:5.5/7.5/12
● 輔助接點
標準:1a
規格
| 機種 | 12C | |||||
|---|---|---|---|---|---|---|
| 選 型 |
電磁接觸器 | 非可逆 | S-W12C | |||
| 可逆 | S-2XW12 | |||||
| 電 磁 開 關 |
開放型 | 非可逆 | MSO-W12 | |||
| 可逆 | MSO-2XW12 | |||||
| 箱型 | 非可逆 | MS-W12 | ||||
| 可逆 | MS-2XW12 | |||||
| 箱型附按鈕 | 非可逆 | MS-W12PB | ||||
| 熱動過電流 繼電器 |
標準型 | WTH-38E | ||||
| 欠相型 | WTH-38PP | |||||
| 型名 | S-W12C | |||||
| CNS 2930 JIS C8201 JEM1038 |
AC-3級 額定容量 (kW/A) |
單相 | 100-110V | 0.55/13 | ||
| 200-220V | 1.1/13 | |||||
| 三相 | 200-220V | 3.5/13 | ||||
| 380-440V | 5.5/12 | |||||
| 500-550V | 5.5/9 | |||||
| AC-1級電阻性負載(A) | 25 | |||||
| 連續通電電流(Ith)(A) | 25 | |||||
| 額定容量功率/電流 | kW | HP | A | |||
| 額定容量 AC3 IEC 60947-4-1 EN 60947-4-1 DIN VDE 0660 |
三相 | 240V | 4 | 5.5 | 18 | |
| 380V | 5.5 | 7.5 | 12 | |||
| 440V | 5.5 | 7.5 | 12 | |||
| 500/550V | 7.5 | 10 | 9 | |||
| 660/690V | 7.5 | 10 | 7 | |||
| C-1級電阻性負載(A) 連續通電電流(Ith)(A) |
25 | |||||
| 額定絕緣電壓(Ui) IEC | AC690 | |||||
| 輔助接點 | 接點構成 | 標準 | 1a(1NO) | |||
| 特殊 | 1b(1NC) | |||||
| 額定電流(A) AC15 IEC 60947-4-1 EN 60947-4-1 |
120V | 6 | ||||
| 240V | 3 | |||||
| 380V | 1.9 | |||||
| 連續通電電流(Ith)(A) | 10 | |||||
| 輔助接點等級 | A600,Q300 | |||||
| 電器壽命 (AC3) (萬次) | 140 | |||||
| 機械壽命 (萬次) | 1000 | |||||
| 最大開閉額度 (次/小時) | 1200 | |||||
| 電 磁 接 觸 器 |
重量 (kg) | 0.32 | ||||
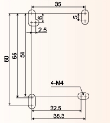
| 外型尺寸 (mm) 長X寬X高 | 80 X 45 X 83 | |||||
| 安裝尺寸 (mm) | ![]() |
|||||
